粉碎机

粉碎机

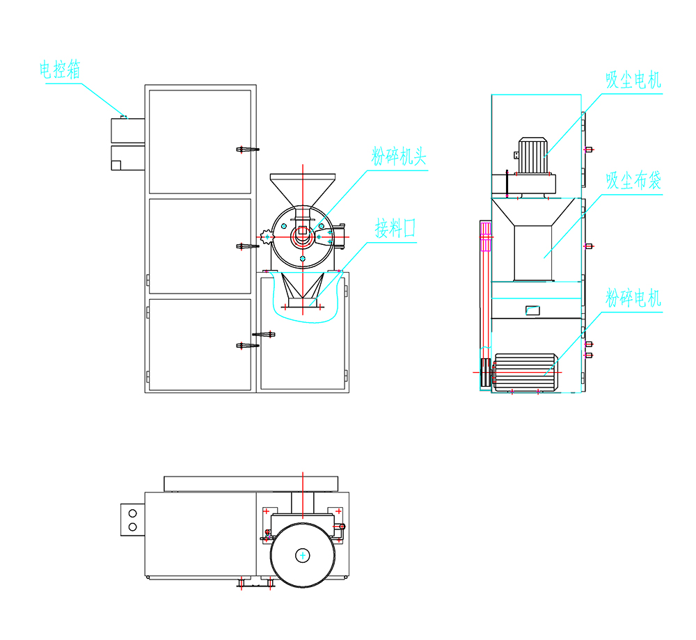
产品概述

本粉碎机组由粉碎机,ESC物料收箱和ESC吸尘器组成。解决物料在粉碎过程中粉尘飞扬。本机的工作原理是物料进入粉碎室,在高速旋转的活动齿盘与固定齿盘间受齿的冲击、剪切、摩擦及物料间的相互撞击的作用下被粉碎,经筛网筛选后即成为所需的粉料。本粉碎机组的粉碎机、物料收集箱和吸尘器,全部采用不锈钢材料制作。符合药品生产的“GMPS”的要求。

上一个: 摇摆式制粒机
下一个: 双锥混合机